康必威官网,称重,包装,重量检测,金属检测一体化
咨询热线
免费服务热线:400-9638-708
电话:0760-87373518
手机:13825748979(蒋经理)
手机:18923307412(李经理)
手机:18923300347(黄小姐)
手机:18924519583(许小姐)
QQ:360726528/2913101796
E-mail:360726528@qq.com
地址:中山市东凤镇永益社区东海五路168号商联光电科技园



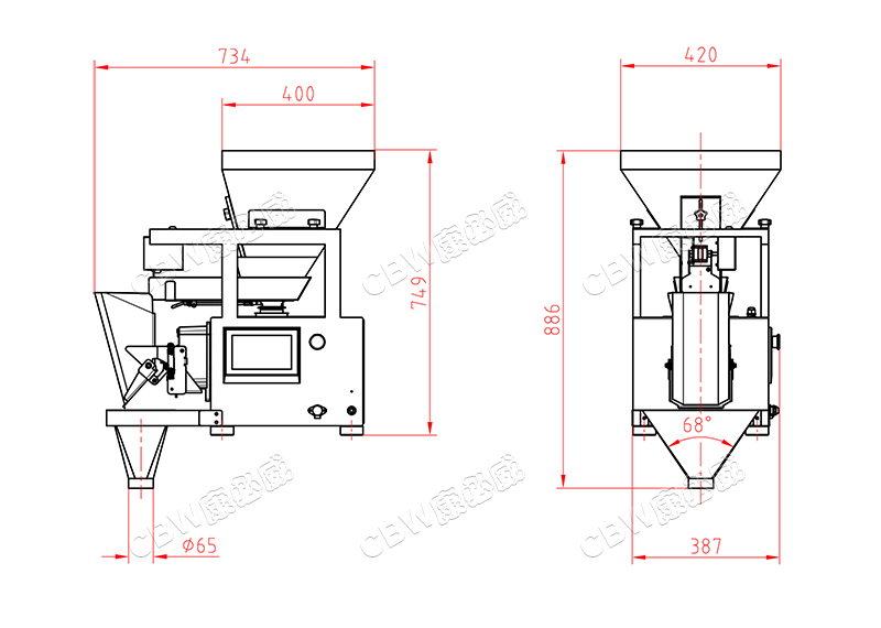
CBW-1B1 模块化单斗线性秤
1. 使用范围
适合白糖、盐、种子、大米、芝麻、味精、鸡精、奶粉,咖啡粉、调味粉料等粉状、小颗粒状较为均匀物料的定量称量。
2. 技术特点
◆ 高精度数字传感器,实现高速精确称量。
◆ 通过工业控制显示器操作。
◆ 多语言选择(如果没有要求的语言,需要提供译文)
◆ 不同的权限管理。
◆ 可以同时称量多种不同物料,实现混合物料包装。
◆ 根据生产情况可在运行中直接修改参数,操作方便。
◆ 新一代设计模块铝盒可互换。
◆ 智能化的故障报警提示,为用户及时准确的提示指引故障出处,帮助用户快速排除故障,节省用户时间。
◆ 步进电机控制称量斗的开/关门。
3. 规格参数
|
型号 |
CBW-1B1(30) |
CBW-1B1(50) |
|
单次称量范围 |
10-1000克 |
10-2000克 |
|
平均误差范围 |
1~2克 |
1~2克 |
|
最大称量速度 |
15包/分 |
15包/分 |
|
操作界面 |
7寸触摸屏 |
|
|
料斗容量 |
3升 |
5升 |
|
材质 |
304#不锈钢 |
|
|
驱动方式 |
步进电机 |
|
|
预设参数 |
50 |
|
|
最大混合称量物料 |
1 |
1 |
|
电源要求 |
AC220V ±10% 50Hz(60Hz) |
|
|
控制系统 |
模块化控制 |
|
|
包装尺寸 |
长650x宽500x高885mm |
|
|
毛重 |
60千克/65千克 |
|
上一篇:模块化微型4头线性秤
下一篇:模块化4头线性秤