康必威官网,称重,包装,重量检测,金属检测一体化

中山市康必威自动化机械有限公司

咨询热线

0760-87373518

C

联系我们

ONTACT US

免费服务热线:400-9638-708

电话:0760-87373518

手机:13825748979(蒋经理)

手机:18923307412(李经理)

手机:18923300347(黄小姐)

手机:18924519583(许小姐)

QQ:360726528/2913101796

E-mail:360726528@qq.com

地址:中山市东凤镇永益社区东海五路168号商联光电科技园

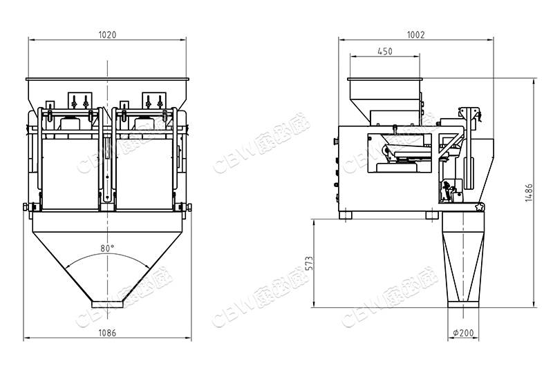
模块化大2头线性秤

产品详情

1. 使用范围

适合白糖、盐、种子、大米、芝麻、味精、鸡精、奶粉,咖啡粉、调味粉料等粉状、小颗粒状较为均匀物料的定量称量。

2. 技术特点

◆ 高精度数字传感器,实现高速精确称量。

◆ 通过工业控制显示器操作。

◆ 多语言选择(如果没有要求的语言,需要提供译文)

◆ 不同的权限管理。

◆ 可以同时称量多种不同物料,实现混合物料包装。

◆ 根据生产情况可在运行中直接修改参数,操作方便。

◆ 新一代设计模块铝盒可互换。

◆ 智能化的故障报警提示,为用户及时准确的提示指引故障出处,帮助用户快速排除故障,节省用户时间。

◆ 步进电机控制称量斗的开/关门。

◆ 皮带送料使加料更有效更稳定。

3. 规格参数

型号

CBW-1B2(240)

单次称量范围

100-10公斤

平均误差范围

1~20克

最大称量速度

20包/分

操作界面

7寸触摸屏

料斗容量

24升

材质

304#不锈钢

驱动方式

步进电机

预设参数

50

最大混合称量物料

2

电源要求

AC220V ±10% 50Hz(60Hz)