康必威官网,称重,包装,重量检测,金属检测一体化
咨询热线
免费服务热线:400-9638-708
电话:0760-87373518
手机:13825748979(蒋经理)
手机:18923307412(李经理)
手机:18923300347(黄小姐)
手机:18924519583(许小姐)
QQ:360726528/2913101796
E-mail:360726528@qq.com
地址:中山市东凤镇永益社区东海五路168号商联光电科技园
1. 适用范围:
糖果/花生/休闲食品/薯片/坚果/果冻/饼干/面包/咖啡豆/宠物食品/干颗粒或小五金件
2. 主要特点:
◆ 模具制作的料斗,可互换。
◆ 一台秤可以联机一台或者两台包装机。
◆ 高速异步放料功能,有效防止物阻塞。
◆ 由电脑计算选出最接近目标重量的组合,比起人工称量更智能化。
◆ 可存储100套参数。
◆ 称量斗有独立的控制模式,运行中各线振幅可独立调节,使加料更加均匀。
◆ 出厂参数设置恢复功能。
◆ 高精度数字称重传感器,实现精准称量。
◆ 缺料时可自动暂停,使称量更加稳定。
◆ 驱动板、AD模块任意更换,不同机型通用,不用人工编号,更换更方便
◆ 新型铝盒使得称量更加准确, 更美观。
◆ 人机界面友好,类似手机操作图标,操作易懂.
◆ 机器自检功能强大,实现闭环检测,能实时检测到各节点异常情况,及实时在人机界面显示。
◆ 优化的算法比传统算法在大重量称量时,速度更快。
◆ 软件通用性、兼容性强,不同机型使用同一控制系统。
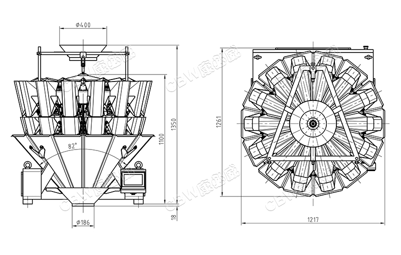
3. 规格参数
|
型号 |
CBW-1A14(16) |
|
单次称量范围 |
10-2000克 |
|
平均误差范围 |
0.5~2 克 |
|
最大称量速度 |
120 包/分 |
|
操作界面 |
7寸触摸屏 |
|
料斗容量 |
1.6升 (单开门), 平板 |
|
材质 |
304 #不锈钢 |
|
驱动方式 |
步进电机 |
|
控制系统 |
模块化控制 |
|
电源要求 |
AC 220V/110V ±10% 50Hz(60Hz)1400瓦 |
|
选购件 |
花纹斗/集料斗/打印装置/旋转主振机/多角分料器/超重选别装置 |
|
包装尺寸 |
长1720*宽1100*高1130mm |
|
毛重 |
500千克 |

上一篇:模块化10头标准型